发布需求

GZ电磁振动给料机

价  格 
0.00
品牌:
富森矿山
型号:
GZ电磁振动给料机
加料机类型:
其他
工作原理:
其他
潍坊富森矿山机械有限公司
店主:邓经理
地址:山东省潍坊市临朐县
猜你喜欢
化纤钛白粉研磨内筒
¥60000.00¥0.00
JXM系列冲击机械磨
¥0.00¥0.00
热销商品
  • 产品介绍

产品简介:
    GZ电磁振动给料机是一种新型给料设备,在水泥、矿山、冶金、煤炭、化工、陶瓷、粮食,电力等工矿企业中已被广泛地应用,它适合把块状及粉末状物料以贮料仓或漏斗中连续均匀或定量地给到受料装置中去与电子秤或微机配料等设备配套,实现生产自动化*为理想设备,也可以单独工作送料稳定,不用专人看守和配合各种振动筛作振源的理想设备。

主要特点:
1.由于可以瞬时地改变和启闭料流,所以给料量有较高的精度。
2.体积小,重量轻,结构简单,安装方便,无转动部件不需润滑,维修方便,运行费用低。
3.电磁振动给料机由于运用了机械振动学的共振原理,双质体在低临界近共振状态下工作,因而消耗电能少。
4.由于给料槽中的物料在给料过程中连续地被抛起,并按抛物线的轨迹向前进行跳跃运动,因此给料槽的磨损较小。
5.本系列电振机的控制设备采用了可控硅半波整流线路,因此在使用过程中可以通过调节可控硅开放角的办法方便地无级地调节给料量,并可以实现生产流程的集中控制和自动控制

工作原理:
    电磁振动给料机的激振器电磁线圈的电流是经过单相半波整流的,当线圈接通后在正半周内有电流通过,衔铁与铁芯之间便产生了一脉冲电磁力互相吸引,这时槽体向后运动,激振器的主弹簧发生变形储存了一定的势能,在负半周线圈中无电流通过,电磁力消失,主弹簧释放能量,使衔铁和铁芯朝反方向离槽体向前运动,于是电磁振动给料机以交流电源的频率作每分钟3000次的往复振动,由于槽体的底平面与激振力作用线有一定的夹角,因此槽体中的物料沿抛物线的轨迹连续不断地向前运动。调节整流电压的高低,即可控制电磁振动给料机的送料量。给料机采用可控硅整流供电。改变可控硅的导通角,即可控制输出电压的高低。根据使用条件,可取不同信号来控制可控硅导通角的大小以达到自动定量送料的目的。

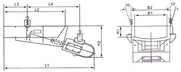
技术参数:


项目

生产率
≤T/h

给料
粒度
≤mm

双振

mm

供电
电压
~V

电流A

功率
kw

配套控制
和型号

重量
kg

外形尺寸(mm )

参数

型号

水平0℃

-10℃

工作电流

表示电流

L1

L2

L3

L4

H1

H2

B1

B2



GZ0

5

7

50

1.75

220

1.34

1

0.06

XK35

73

900 

 550

100 

600 

120 

300

240

300

GZ1

10

14

50

3.0

2.3

0.15

145 

1050 

710 

150 

715 

165 

420 

300

380

GZ2

20

35

75

4.58

3.8

0.25

195

1050 

710

150 

715 

165 

420 

300 

380 

GZ3

30

50

85

6.8

5.5

0.35

285

1220 

820 

150 

850 

175

430 

340 

430 

GZ4

50

70

100

8.4

7

0.45

350

1450 

930 

200 

1000 

200

600 

450 

530 

GZ5

80

140

150

12.7

10.6

0.65

640 

1700 

1100 

255 

1120 

255 

585 

590 

695


对比栏关闭