FCM2000型三目倒置金相显微镜

三目倒置金相显微镜,操作简便,附件齐全,应用广泛。
● FCM2000是钢铁、有*金属材料、铸件、镀层的金相分析、地质学的岩相分析、以及工业领域对化合物、陶瓷等进行微观研究领域。
● 操作简便,附件齐全,广泛应用于教学科研金相分析以及工厂实验室材料检测理想仪器。
● 通过升级系统后可以实现高倍/偏光观察等功能。紧凑稳定的一体化主体设计,充分体现了显微镜操作稳定性的要求。
每一个人性化的细节设计,给您带来快捷、舒适的操作模式。
物 镜: 配置优良的长焦距平场消*差物镜,严格选用高透过率的镜片和先进的镀膜技术,能够真实还原样品的自然*彩。
调焦系统:采用底手位粗微调同轴调焦机构,左右侧均可调节,微调精度高,手动调节简单方便,用户能够轻松得到清晰舒适的图像。
粗调行程为38mm,微调精度0.002。
机械平台:采用180×155mm的大尺寸平台,右手位设置,符合常规人群操作习惯。用户操作过程中,便于调焦机构与平台移动的操作
切换,为用户提供更加高效的工作环境。
照明系统:采用落射式柯拉照明系统带可变孔径光阑和中心可调视场光阑,采用了自适应宽电压100V-240V,5W长寿命LED照明
或6V30W卤素灯照明系统。
![]() |
![]() |
![]() |
![]() |
||||||
| 物镜 | 调焦系统 | 机械平台 | 照明系统 |
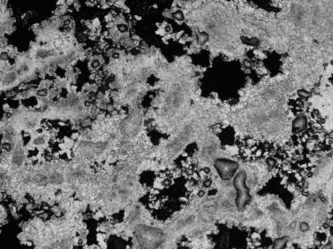
数码*像实拍效果图:
![]() |
![]() |
![]() |
![]() |
技术规格:
光学系统:有限远*差校正光学系统
观察头:铰链式双目镜筒,45°倾斜;三目镜筒,瞳距和屈光度可调。
目 镜:大视野 PL10X(Φ18mm)
长距平场消*差物镜:LMPL5X /0.125 WD15.5mm
LMPL10X/0.25 WD8.7mm
LMPL20X/0.40 WD8.8mm
LMPL50X/0.60 WD5.1mm
物镜转换器:内定位四孔转换器
调焦机构:低手位粗微调同轴调焦机构,粗动每转行程38mm;微调精度0.02mm
照明系统:落射式柯拉照明系统,带可变孔径光栏和中心可调视场光栏,自适应宽电压100V-240V,单颗5W 暖*LED灯,
光强连续可调或6V30W卤素灯,光强连续可调照明系统。
载物台:三层机械移动平台,面积180mmX155mm,右手低手位控制,行程:75mm×40mm.
工作台板: 金属载物台板(中心孔Φ12mm)
滤光片:黄、绿、蓝、磨砂。
选配件:
目 镜: 高眼点大视野平场目镜PL10X/18mm,可带测微尺
高眼点大视野目镜WF15X/13mm,可带测微尺
高眼点大视野目镜WF20X/10mm,可带测微尺
物 镜:LMPL100X/0.80 WD2.00mm
偏光附件:起偏镜插板,固定式检偏镜插板,360°旋转式检偏镜插板
软件配套:FMIA2021正版金相分析软件系统、500万*像装置、0.5X适配镜接口、高精度测微尺。
FCM2000贴心的各项附件,满足您工业检测中多样化的个性需求。
部件图解:


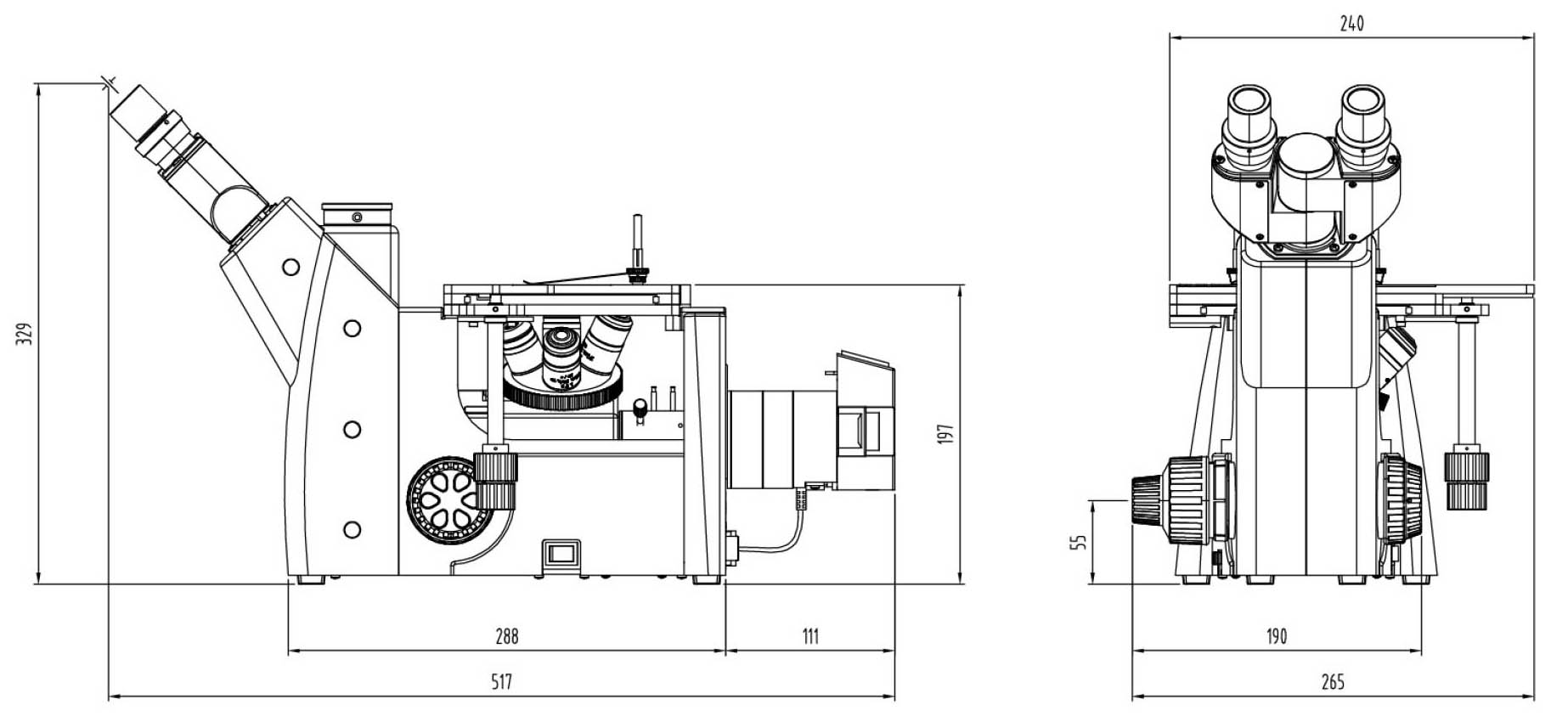
外形尺寸:
